Dometrics, Inc.
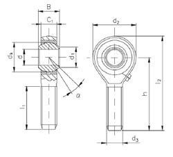
Askubal Heavy Duty Rod Ends

When choosing a rod end, it is essential to know whether the load is to be static or dynamic. In the case of static loading (load without pivot, swivel or tilt movements) the maximum static load capacity corresponds to the static load rating C0 specified in the tables. No permanent deformation of the rod end housing occurs up to this load.
Load direction
The load is of prime importance in the selection of bearing size, however the load direction is also important. A differentiation is made between the following load directions.
Housing load capacity
Depending on the load type, the following safety factors must be taken into account for the permitted radial housing load capacity Fr perm.
Click here for more Product Details from
Dometrics, Inc....